SDL Series – Heavy Duty Submersible Dewatering Pump 415V – High Head High Flow
Aquaplus SDL Series 415V pumps are used in applications such as general construction works, civil engineering, deep well applications and mine site dewatering.
 
                - Features
- Applications
- Curves
- Tech Specs
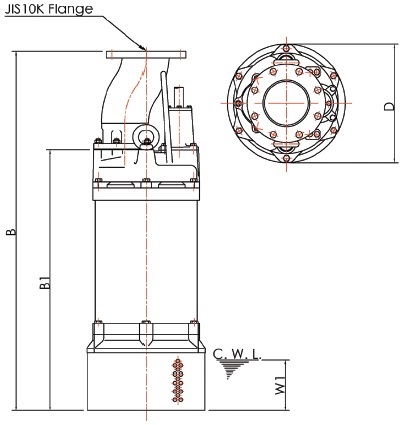
- Dimensions
- Downloads
- Cast iron casing, ductile iron suction cover and chrome iron impeller
- Built in oil lifter enhances sealing life and performance
- Dual silicon carbide mechanical seals in an oil bath
- Pump can run in horizontal and vertical configurations
- Pump can run in “snore mode”
- General construction works
- Civil engineering
- Deep well applications
- Mine site dewatering

| Model Number | Discharge (mm) | Power (kW) | Voltage (V) | Cable (m) | Max Flow (L/s) | Shut-Off Head (m) | Pump Weight (kg) | Max Solid (mm) | Rated Current A (415 V) | 
| SDL-100-52-22T2-20M-C | 100 | 22 | 415 | 20 | 36 | 66 | 365 | 6 | 41.5 | 
| SDL-100-52-30T2-20M-C | 100 | 30 | 415 | 20 | 47 | 78 | 370 | 6 | 54 | 
| SDL-150-52-22T2-20M-C | 150 | 22 | 415 | 20 | 55 | 50 | 375 | 12 | 41.5 | 
| SDL-150-52-30T2-20M-C | 150 | 30 | 415 | 20 | 61 | 56 | 380 | 12 | 54 | 
| SDL-150-52-37T2-20M-C | 150 | 37 | 415 | 20 | 61 | 83 | 620 | 6 | 71 | 
| SDL-150-52-45T2-20M-C | 200 | 37 | 415 | 20 | 91 | 48 | 620 | 20 | 71 | 
| SDL-150-52-75T2-20M-C | 150 | 75 | 415 | 20 | 50 | 132 | 830 | 6 | 134 | 
| SDL-200-52-37T2-20M-C | 150 | 45 | 415 | 20 | 61 | 90 | 640 | 6 | 85 | 
| SDL-200-52-45T2-20M-C | 200 | 45 | 415 | 20 | 102 | 53 | 640 | 20 | 85 | 
| SDL-200-52-55T2-20M-C | 200 | 55 | 415 | 20 | 95 | 70 | 940 | 20 | 93 | 
| SDL-200-52-75T2-20M-C | 200 | 75 | 415 | 20 | 108 | 70 | 880 | 20 | 134 | 

| Model Number | Dimensions (mm) | |||
| D | B | B1 | W1 | |
| SDL-100-52-22T2-20M-C | 420 | 1315 | 964 | 190 | 
| SDL-100-52-30T2-20M-C | 420 | 1355 | 1004 | 190 | 
| SDL-150-52-22T2-20M-C | 420 | 1362 | 961 | 190 | 
| SDL-150-52-30T2-20M-C | 420 | 1362 | 961 | 190 | 
| SDL-150-52-37T2-20M-C | 530 | 1448 | 1027 | 190 | 
| SDL-150-52-45T2-20M-C | 530 | 1448 | 1027 | 190 | 
| SDL-150-52-75T2-20M-C | 550 | 1630 | 1280 | 200 | 
| SDL-200-52-37T2-20M-C | 530 | 1448 | 1027 | 190 | 
| SDL-200-52-45T2-20M-C | 530 | 1448 | 1027 | 190 | 
| SDL-200-52-55T2-20M-C | 530 | 1448 | 1027 | 190 | 
| SDL-200-52-75T2-20M-C | 550 | 1680 | 1280 | 200 | 


