AD Series
Aquaplus AD Series Pumps are performance engineered and quality built to provide service under the toughest conditions. The Series is operated by compressed air or any non-flammable compressed gas and is suitable for a variety of applications in a range of industries.
We specialise in:
Plastic Models
- Polypropylene / Santoprene®
- Polypropylene / PTFE
Metalic Models
- Aluminium / Geolast®
- Aluminium / PTFE
- Features
- Applications
- Curves
- Tech Specs
- Dimensions
- Downloads
- Pumps anything that pours
- Wide range of pump types and sizes
- Patented lube-free air system
- Will not stall at slow speeds
- 100% tested prior to shipment
- Self-priming
- Non electrical
- Runs dry without damage
- Infinitely variable flow rate
- Intermittent operation or continuous duty
- Pumps fluids which contain particles
- Pumps high viscosity fluids
- Reduced solvent flash-off
- Simple modular design
- Dual manifold capability for 6mm to 25mm modules
- Parts interchangeability between models and sizes
- Mining
- Construction
- Municipal and commerce
- Shipping yard
- Wind energy
- Waste processing
- Manufacturing
- Bio diesel
- Offshore oil and gas
- Rural applications
- Agriculture
- Food processing
- Gas extraction
- Chemical processing
- Pharmaceutical
- Refinery
- Oil and gas
- Liquid removal and storage
6mm Range Performance Curves

15mm Range Performance Curves

25mm Range Performance Curves

40mm Range Performance Curves

50mm Range Performance Curves

80mm Range Performance Curves

| 6mm Range | 15mm Range | 25mm Range | |
| Capacity | Adjustable 0 to 16.3 litres/min | Adjustable 0 to 64.6 litres/min | Adjustable 0 to 155.8 litres/min |
| Maximum Temperature | KN-025 and KN-025E models 93°C Other models 66°C |
KT-05, KE-05 and KV-05 models 93°C Other plastic models 66°C AB-05 and SB-05 models 82°C Other metallic models 100°C |
KT-10, KE-10 and KV-10 models 93°C Other plastic models 66°C AB-10 and SB-10 models 82°C Other metallic models 100°C |
| Maximum Air Pressure | All models 6.8 bar | All models 8 bar | All models 8 bar |
| Minimum Air Pressure | All models 1.3 bar | All models 1.2 bar | All models 1.2 bar |
| Dry Lift Capacity | at 6.8 bar All models 5m |
at 8 bar Models with PTFE balls 3m Other models 4.5m |
at 8 bar Models with PTFE balls 3m Other models 4.5m |
| Maximum Solids | 1.6mm | Standard solids 3.2 mm Optional Max-PassTM valves 9mm |
Standard solids 6.4 mm Optional Max-PassTM valves 19mm |
| Air Supply | Inlet 1/4” BSP Female Airflow control valve supplied Outlet 1/4” BSP Female Muffler supplied |
Inlet 1/4” BSP Female Outlet 3/8” BSP Female Muffler supplied |
Inlet 1/4” BSP Female Outlet 3/8” BSP Female Muffler supplied |
| Fluid Inlet/Discharge | 1/4” BSP | NPT compatible 1/2” BSP models | Plastic models 1” flange ANSI/DIN compatible Metallic models 1” BSP |
6mm Range Dimensions

15mm Range Dimensions

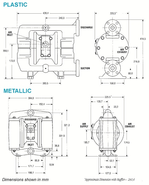
25mm Range Dimensions

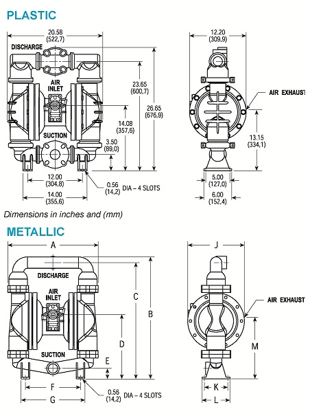
40mm Range Dimensions

50mm Range Dimensions

80mm Range Dimensions


